Table of Contents
Brmduino
~~META: status = finished ~~
“just another Arduino clone”
Goals of this project
- learn more advanced electronics developement
- try to build own HW kit for our Arduino workshop's
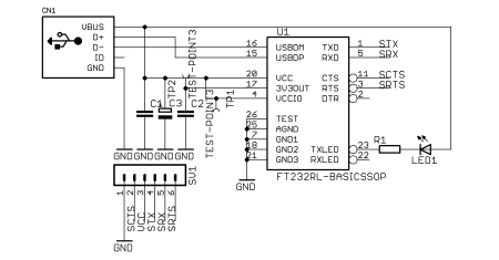
- take out ftdi chip from mother board
Some story around this project
many of our members and friends are using arduino for building many nice projects but we are not satisfied with price of “full” arduino boards
So I have idea to make arduino without ftdi chip on board and make boards itself cheaper
During development of this boards we recieved lot of questions about organizing arduino workshops for beginners
Schematics
Photos
Electronics overview and summary
Processor : atmega168 ( in future atmega 328 , distributor have lack of those )
Power supply : direct from USB or from linear stabilizers ( switchable with jumper)
Speed : 16 MHz
Pros:
- fully arduino compattible pinout
- simple programmer connection
- price :)
Cons:
- missing ICD header ( design issue )
- no 3.3V output from board ( whole board is pure 5V logic)
- external powersource header pin is not connected
I personally think that for beginners is this board highly sufficient
HowTo Configure Arduino software
- install and start Arduino software
- Depending on CPU variant you've received configure your software ( Tools→Board→ATmega 328 )
Availability and prices
Donate
Právní poznámka (CZ): Všechny případné dary budou primárně použité k naplnění hlavních účelů spolku.
Legal note (EN): All possible donations will be primarily used to fulfill the main purposes of the association.
Wire transfer
We have a Fio bank account. You can transfer money in the following ways:
- CZK transfers: 2500079551/2010 (PREFERRED)
- IBAN CZ0520100000002500079551 BIC FIOBCZPPXXX
- EUR transfers: 2100079552/2010
- IBAN CZ9320100000002100079552 BIC FIOBCZPPXXX
- USD transfers: 2900079550/2010
- IBAN CZ1420100000002900079550 BIC FIOBCZPPXXX
(If you are a member paying monthly fees, use your numeric user id as variable symbol and specific symbol 1. If you want to give a tax-deducible donation, please use specific symbol 2 and contact us at rada@brmlab.cz for a receipt.)
If you are using a revolut, you can find a guide how to specify a variable symbol (VS) here: https://community.revolut.com/t/variable-symbol/30012/4
You can check your member account balance at https://brmlab.cz/start?do=payments
Bitcoin
We accept bitcoins at the following address: 1BRMLAB7nryYgFGrG8x9SYaokb8r2ZwAsX
GIVT
Brmlab muzete podporit i pri vasem nakupovani v internetovych e-shopech pomoci givt.cz
Hardware
To donate physical stuff, please contact rada@brmlab.cz.
Projects
Troubleshooting
stk500_recv(): programmer is not responding
stty -F /dev/ttyUSB0 19200 hupcl
Link's
here is some interesting links for FTDI and arduino …
Brmduino in the wild
- brmduino workshop hosted at Progressbar
- brmlab projects:







